广州市捷迅机电工程有限公司
  • 网站首页
  • 产品中心
    • 空调
    • 发电机
    • 空气净化机
  • 案例展示
    • 租空调
    • 租电力
  • 效果演示
    • 视频库
  • 企业新闻
    • 公司动态
    • 行业新闻
    • 专业问答
  • 关于捷迅
    • 公司荣誉
    • 合作伙伴
  • 询价单
  • 网站首页
  • 产品中心
    • 空调
    • 发电机
    • 空气净化机
  • 案例展示
    • 租空调
    • 租电力
  • 效果演示
    • 视频库
  • 企业新闻
    • 公司动态
    • 行业新闻
    • 专业问答
  • 关于捷迅
    • 公司荣誉
    • 合作伙伴
  • 询价单
首页 › 专业问答 › 第9页

专业问答

空调机组声音异常
空调机组声音异常原因和解决方法
空调排水
空调排水问题怎么解决?
空调传感器
空调传感器故障原因和解决方法
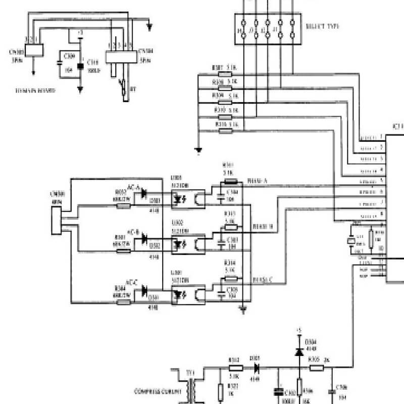
控制电路故障
控制电路故障原因、症状、解决方法
空调风机
风机故障是什么原因?
空调水路
空调会出现哪些水路问题,可能产生什么影响?
空调阀门故障
空调阀门有什么故障,这些故障会产生哪些影响?
压缩机(白底)
压缩机出现故障是什么原因,有哪些影响?
加载更多
已经到底了!
推荐阅读
商业活动电缆租赁新选择
阅读 »
武汉网球公开赛空调出租
阅读 »
中央空调怎么保养效果好?保养注意要点
阅读 »
辰山国际兰花学术研讨会空调出租
阅读 »
广州白云国际会议中心空调出租
阅读 »
为什么要参加专业展览会?
阅读 »
临时户外帐篷展会制冷空调租赁
阅读 »
洽谈会发电机出租
阅读 »
产品中心
  • 空调
  • 发电机
  • 空气净化机
  • 空调
  • 发电机
  • 空气净化机
案例展示
  • 租空调
  • 租电力
  • 租空调
  • 租电力
企业新闻
  • 公司动态
  • 行业新闻
  • 专业问答
  • 公司动态
  • 行业新闻
  • 专业问答
关于捷迅
  • 公司荣誉
  • 合作伙伴
  • 公司荣誉
  • 合作伙伴
  • 广州空调出租公司
  • 专业空调租赁
  • 篷房中央空调出租
  • 广州电缆线租赁公司
  • 专业发电机租赁
  • 广州空调出租公司
  • 专业空调租赁
  • 篷房中央空调出租
  • 广州电缆线租赁公司
  • 专业发电机租赁
  • © Jiexun020.com
  • 广州市捷迅机电工程有限公司版权所有
  • 粤公网安备44011302002056号
  • 粤ICP备19095544号
联系电话
137 6087 4560